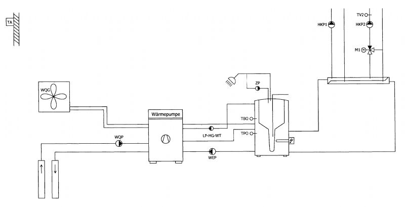
Hybride warmtepomp
Hybride warmtepompen
Deze warmtepomp gebruikt 2 energiebronnen: aarde en lucht !
Ze kiest op elk moment automatisch de warmtebron die het voordeligst is zodat de stookkosten heel laag blijven.
Zeer hoog seizoenrendement. Ideale warmtepomp voor combinatie van woning- en zwembadverwarming.
